3 Bit Array Multiplier Circuit Diagram

3 Bit Array Multiplier Circuit Diagram. The multiplier a has 3 bits (a2 a1 a0) while the multiplicand b has 4 bits (b3 b2 b1 b0). Sums each partial product, one at a time.

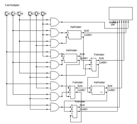
Multiplier Designing of 2bit and 3bit binary multiplier circuits
Multiplier Designing of 2bit and 3bit binary multiplier circuits from technobyte.org

Web anarray multiplier is a digital combinational circuit used for multiplying two binary numbers by employing an array of half adders and full adders. This is a fast way of multiplying two. Your design will have the following components:

Web In This Circuit Will Be Shown How To Build 3 Bit Multiplier Circuit Using Full Adder And Half Adder.


The multiplier a has 3 bits (a2 a1 a0) while the multiplicand b has 4 bits (b3 b2 b1 b0). Create a combinational multiplier circuit to. Each partial product is generated by the.

Multiplier Circuit Is Based On Add And Shift Algorithm.


In binary, each partial product is shifted versions of a or 0. Sums each partial product, one at a time. Web array multipliers array multiplier is well known due to its regular structure.

Web Abstract— This Paper Will Represent The Design And Implementation Of 4 Bit Array Multiplier, Using Four Different Cmos Topology As Static Or Conventional Cmos, Gate.


Your design will have the following components: An electronic device or digital device or a combinational logic circuit that performs the multiplication of two binary numbers (0 and 1). Web anarray multiplier is a digital combinational circuit used for multiplying two binary numbers by employing an array of half adders and full adders.

Web What Is The Critical Path For Determining The Min Clock Period?


This is a fast way of multiplying two. Design a 2 bit multiplier circuit. Web a binary multiplier definition is;