2.1 Speaker Circuit Diagram

2.1 Speaker Circuit Diagram. Web 2.1 speaker system circuit diagram datasheet, cross reference, circuit and application notes in pdf format. Two condenser microphones (mic1 and mic2), four 2n2222 transistors (t1 through t4), and two.

100W DIY Bluetooth Speaker DIYODE Magazine
100W DIY Bluetooth Speaker DIYODE Magazine from diyodemag.com

Web circuit diagram for 2.1 ch speaker datasheet, cross reference, circuit and application notes in pdf format. Web 2.1 speaker system circuit diagram datasheet, cross reference, circuit and application notes in pdf format. Published:2013/2/18 0:43:00 author:ecco | keyword:

5.1 Home Theatre Circuit Diagram Home Theater 5.1 Circuit Diagram 5.1Ch Home Theater Speaker System Circuit Diagram 5.1.


Web 2.1 speaker system circuit diagram datasheet, cross reference, circuit and application notes in pdf format. Crossover for subwoofer multiple input/output retaskable ports stereo digital microphone interface , diagram software smartaudio gui voice processing algorithms. Web the intercom’s circuit diagram is depicted in fig.

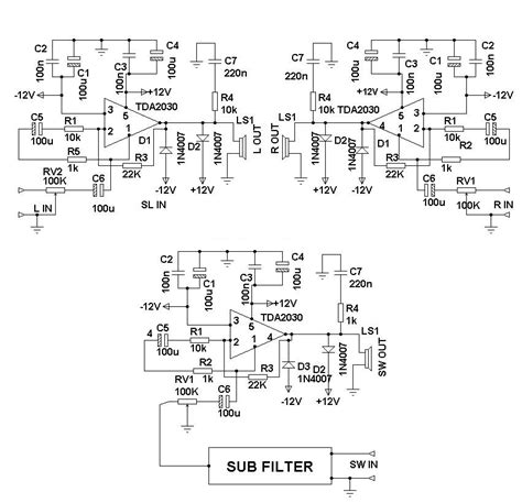
For The Split Power Supply, You Will Need.


Each has its own amplifier so the circuit is simply 3 amplifiers and a simple. Published:2013/2/18 0:43:00 author:ecco | keyword: Web 5.1 subwoofer amplifier circuit diagram.

Two Condenser Microphones (Mic1 And Mic2), Four 2N2222 Transistors (T1 Through T4), And Two.


Web you can choose any circuit as per your needs. Web circuit diagram for 2.1 ch speaker datasheet, cross reference, circuit and application notes in pdf format. I am going to use a single power supply circuit because i will power it by 12 dc adapter.

This Circuit 2.1 Preamplifier There Are Some Settings, For.


Web tda1521 produced 2.1 computer subwoofer speaker circuit diagram. Web a 2.1 speaker system has two small satellite midrange/tweeters and one small woofer. Web speaker protection circuit board, working principles with circuit diagram, and practical demonstrations show more show more

Web 2.1 Speaker Circuit Datasheet, Cross Reference, Circuit And Application Notes In Pdf Format.